Über 300.000 Kunden - wir sagen Danke!

40,000+ Produkte aus Jagd und Schiesssport

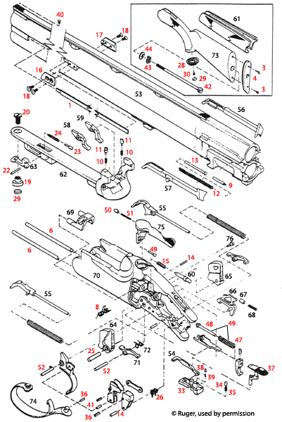
Entdecke die detaillierte Explosionszeichnung für die Ruger® Red Label O/U Shotguns mit den Seriennummern 401/411/420, die dir bei Reparaturen und Wartung hilft.

Ruger® Red Label O/U S/N Prefix 401/411/420 Explosionszeichnung - Entdecke die Details deiner Waffe!

Die Seite bietet dir eine umfassende Explosionszeichnung für die Ruger® Red Label O/U Schrotflinten mit den Seriennummern 401, 411 und 420. Hier findest du detaillierte Informationen über die einzelnen Teile und deren Anordnung. Diese Zeichnung ist ein unverzichtbares Werkzeug für alle, die Wartungs- oder Reparaturarbeiten an ihrer Waffe durchführen möchten. Mit der Explosionszeichnung kannst du sicherstellen, dass du die richtigen Ersatzteile bestellst und die Montage korrekt durchführst. Lass dir diese Gelegenheit nicht entgehen, um deine Kenntnisse über deine Ruger® Schrotflinte zu vertiefen!

Ruger® Red Label O/U S/N Prefix 401/411/420



Ruger® Red Label O/U S/N Prefix 401/411/420 Explosionszeichnung


Ruger® Red Label O/U S/N Prefix 401/411/420
Klicke auf eine rote Nummer, um mehr Informationen über das betreffende Produkt zu erhalten und um es in den Warenkorb zu legen. Klicke "SKU Liste" um alle anderen Teile für diese Explosionszeichnung zu sehen.

Ruger® Red Label O/U S/N Prefix 401/411/420 Ersatzteile


Zurück nach oben