Über 300.000 Kunden - wir sagen Danke!

40,000+ Produkte aus Jagd und Schiesssport

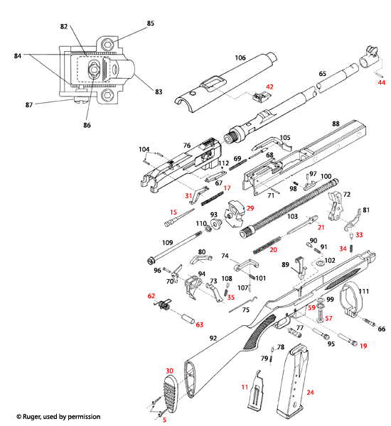
Entdecke die detaillierte Explosionszeichnung für die Ruger® PC 9/40 Carbine, die dir hilft, die einzelnen Teile und deren Anordnung besser zu verstehen.

Ruger® PC 9/40 Carbine Explosionszeichnung - Entdecke die Details deiner Waffe!

Auf dieser Seite findest du die Explosionszeichnung für die Ruger® PC 9/40 Carbine, die dir hilft, die einzelnen Komponenten deiner Waffe besser zu verstehen. Diese detaillierte Darstellung zeigt alle Teile und deren Anordnung, sodass du bei Reparaturen oder Wartungsarbeiten genau weißt, wo alles hingehört. Die Explosionszeichnung ist ein unverzichtbares Hilfsmittel für jeden Waffenbesitzer und bietet dir die Möglichkeit, die Funktionsweise der Carbine zu erkunden. Nutze diese Ressource, um deine Kenntnisse zu erweitern und sicherzustellen, dass deine Ruger® PC 9/40 Carbine in einwandfreiem Zustand bleibt.

Ruger® PC 9/40 Carbine



Ruger® PC 9/40 Carbine Explosionszeichnung


Ruger® PC 9/40 Carbine
Klicke auf eine rote Nummer, um mehr Informationen über das betreffende Produkt zu erhalten und um es in den Warenkorb zu legen. Klicke "SKU Liste" um alle anderen Teile für diese Explosionszeichnung zu sehen.

Ruger® PC 9/40 Carbine Ersatzteile


Zurück nach oben