Über 300.000 Kunden - wir sagen Danke!

40,000+ Produkte aus Jagd und Schiesssport

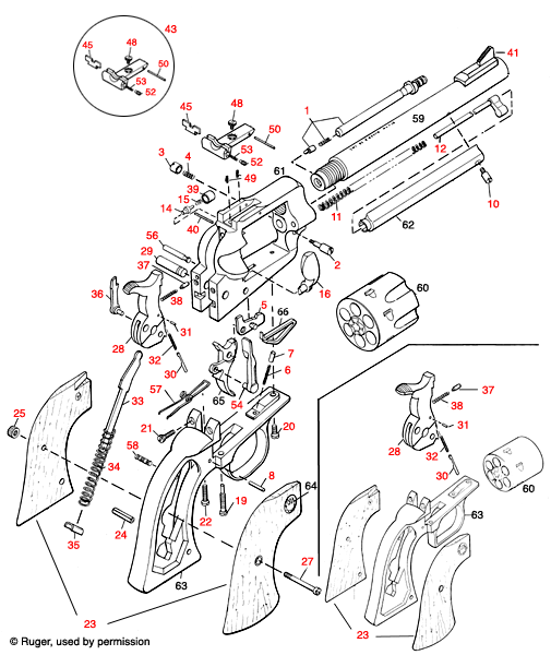
Entdecke die detaillierte Explosionszeichnung für den Ruger® Super Blackhawk Hunter, die dir hilft, die einzelnen Komponenten und deren Zusammenbau besser zu verstehen.

Ruger® Super Blackhawk Hunter Explosionszeichnung - Entdecke die Details!

Auf dieser Seite findest du die detaillierte Explosionszeichnung für den Ruger® Super Blackhawk Hunter, die dir einen umfassenden Überblick über die einzelnen Komponenten und deren Anordnung bietet. Diese Zeichnung ist besonders hilfreich für Waffenliebhaber und Techniker, die mehr über die Funktionsweise und den Aufbau dieses Revolvers erfahren möchten. Mit klaren Bezeichnungen und einer übersichtlichen Darstellung kannst du die Teile leicht identifizieren und verstehen, wie sie zusammenarbeiten. Egal, ob du Reparaturen durchführen oder einfach nur dein Wissen erweitern möchtest, diese Explosionszeichnung ist ein unverzichtbares Werkzeug für jeden Ruger® Fan!

Ruger® Super Blackhawk Hunter



Ruger® Super Blackhawk Hunter Explosionszeichnung


Ruger® Super Blackhawk Hunter
Klicke auf eine rote Nummer, um mehr Informationen über das betreffende Produkt zu erhalten und um es in den Warenkorb zu legen. Klicke "SKU Liste" um alle anderen Teile für diese Explosionszeichnung zu sehen.

Ruger® Super Blackhawk Hunter Ersatzteile


Zurück nach oben