Über 300.000 Kunden - wir sagen Danke!

40,000+ Produkte aus Jagd und Schiesssport

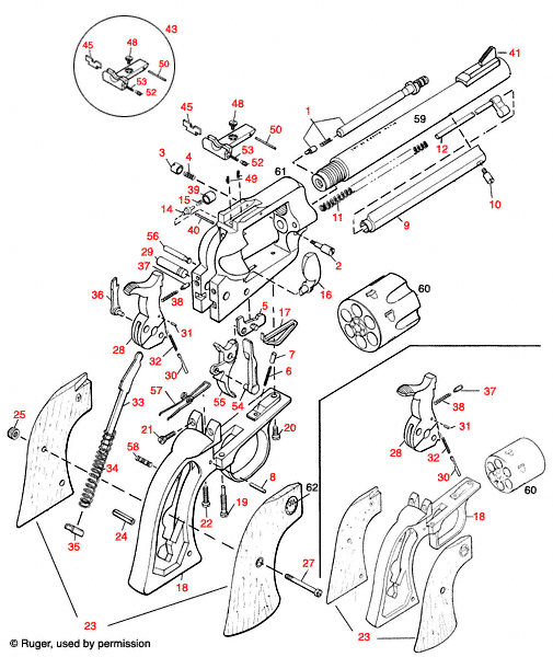
Entdecke detaillierte Explosionszeichnungen für den Ruger® Super Blackhawk Revolver, die dir helfen, die einzelnen Komponenten und deren Anordnung besser zu verstehen.

Ruger® Super Blackhawk Explosionszeichnung - Entdecke die Details deines Revolvers!

Auf dieser Seite findest du die umfassende Explosionszeichnung für den Ruger® Super Blackhawk. Diese detaillierte Darstellung zeigt dir alle Teile und Komponenten des Revolvers, sodass du die Funktionsweise und die Struktur besser verstehen kannst. Egal, ob du an Reparaturen, Wartung oder einfach nur an einer vertieften Kenntnis deines Revolvers interessiert bist, diese Explosionszeichnung ist ein unverzichtbares Werkzeug. Entdecke die einzelnen Teile, ihre Bezeichnungen und wie sie zusammenarbeiten, um die Leistung deines Ruger® Super Blackhawk zu optimieren. Lass dich inspirieren und erweitere dein Wissen über diesen ikonischen Revolver!

Ruger® Super Blackhawk



Ruger® Super Blackhawk Explosionszeichnung


Ruger® Super Blackhawk
Klicke auf eine rote Nummer, um mehr Informationen über das betreffende Produkt zu erhalten und um es in den Warenkorb zu legen. Klicke "SKU Liste" um alle anderen Teile für diese Explosionszeichnung zu sehen.

Ruger® Super Blackhawk Ersatzteile


Zurück nach oben