Über 300.000 Kunden - wir sagen Danke!

40,000+ Produkte aus Jagd und Schiesssport

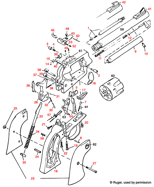
Entdecke die detaillierte Explosionszeichnung des Ruger® New Model Blackhawk Revolvers, die dir hilft, die einzelnen Komponenten und deren Anordnung besser zu verstehen.

Ruger® New Model Blackhawk Explosionszeichnung - Entdecke die Details!

Auf dieser Seite findest du die Explosionszeichnung für den Ruger® New Model Blackhawk Revolver. Diese detaillierte Darstellung zeigt alle Teile und Komponenten des Revolvers, sodass du einen umfassenden Überblick über dessen Aufbau und Funktionsweise erhältst. Egal, ob du ein begeisterter Sammler, ein Waffenenthusiast oder einfach nur neugierig bist, diese Explosionszeichnung ist ein wertvolles Werkzeug für dich. Mit ihr kannst du Reparaturen planen, Ersatzteile identifizieren oder einfach nur mehr über die Technik hinter diesem ikonischen Revolver erfahren. Lass dich von den präzisen Details begeistern!

Ruger® New Model Blackhawk



Ruger® New Model Blackhawk Explosionszeichnung


Ruger® New Model Blackhawk
Klicke auf eine rote Nummer, um mehr Informationen über das betreffende Produkt zu erhalten und um es in den Warenkorb zu legen. Klicke "SKU Liste" um alle anderen Teile für diese Explosionszeichnung zu sehen.

Ruger® New Model Blackhawk Ersatzteile


Zurück nach oben