Über 300.000 Kunden - wir sagen Danke!

40,000+ Produkte aus Jagd und Schiesssport

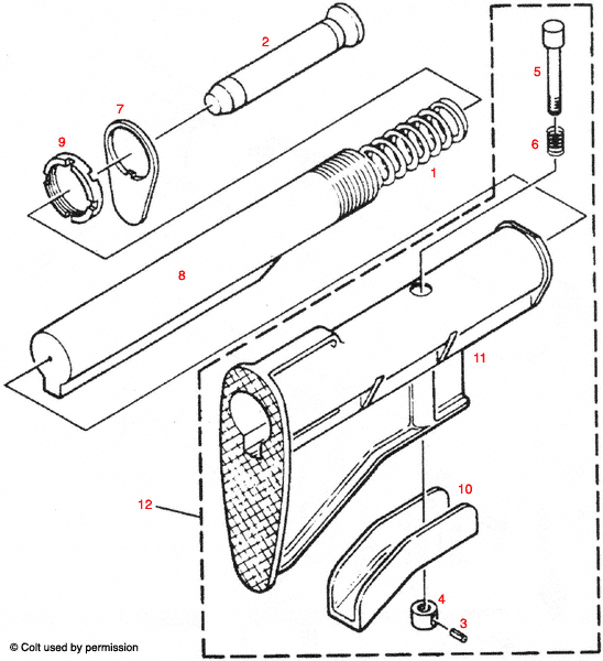
Diese Explosionszeichnung zeigt die detaillierte Aufschlüsselung der Komponenten und Montage des Colt® AR-15 Sliding Buttstock Assembly für eine präzise Übersicht.

Colt® AR-15 Sliding Buttstock Assembly Explosionszeichnung - Entdecke die Details!

Auf dieser Seite findest du die umfassende Explosionszeichnung für die Colt® AR-15 Sliding Buttstock Assembly. Diese detaillierte Darstellung zeigt dir alle Komponenten und deren Anordnung, was dir hilft, die Funktionsweise und den Aufbau des Schaftes besser zu verstehen. Egal, ob du ein begeisterter Waffenliebhaber bist oder einfach nur mehr über deine Colt® AR-15 erfahren möchtest, diese Explosionszeichnung ist eine wertvolle Ressource. Nutze sie, um Reparaturen durchzuführen, Zubehör zu identifizieren oder einfach nur dein Wissen zu erweitern. Tauche ein in die Welt der Colt®-Produkte und entdecke, was hinter der Technik steckt!

Colt® AR-15 Sliding Buttstock Assembly



Colt® AR-15 Sliding Buttstock Assembly Explosionszeichnung


Colt® AR-15 Sliding Buttstock Assembly
Klicke auf eine rote Nummer, um mehr Informationen über das betreffende Produkt zu erhalten und um es in den Warenkorb zu legen. Klicke "SKU Liste" um alle anderen Teile für diese Explosionszeichnung zu sehen.

Colt® AR-15 Sliding Buttstock Assembly Ersatzteile


Ersatzteil #12
Zurück nach oben