Über 300.000 Kunden - wir sagen Danke!

40,000+ Produkte aus Jagd und Schiesssport

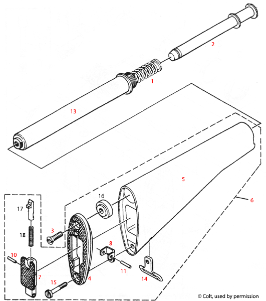
Entdecke die detaillierte Explosionszeichnung der Colt® AR-15 Schulterstützenbaugruppe, die alle Komponenten und deren Anordnung anschaulich darstellt.

Colt® AR-15 Buttstock Assembly Explosionszeichnung - Entdecke die Details!

Die Colt® AR-15 Buttstock Assembly Explosionszeichnung bietet dir eine detaillierte visuelle Darstellung der einzelnen Komponenten des Buttstock-Assemblies. Hier findest du eine umfassende Übersicht über die Teile, die für die Montage und Wartung deines AR-15-Gewehrs erforderlich sind. Diese Explosionszeichnung hilft dir nicht nur, die Struktur besser zu verstehen, sondern auch, bei Reparaturen oder Upgrades gezielt die richtigen Teile auszuwählen. Egal, ob du ein erfahrener Waffenbesitzer oder ein Neuling bist, diese Ressource ist unverzichtbar für jeden, der mit dem Colt® AR-15 arbeitet. Mach dich bereit, dein Wissen zu erweitern und dein Gewehr optimal zu pflegen!

Colt® AR-15 Buttstock Assembly



Colt® AR-15 Buttstock Assembly Explosionszeichnung


Colt® AR-15 Buttstock Assembly
Klicke auf eine rote Nummer, um mehr Informationen über das betreffende Produkt zu erhalten und um es in den Warenkorb zu legen. Klicke "SKU Liste" um alle anderen Teile für diese Explosionszeichnung zu sehen.

Colt® AR-15 Buttstock Assembly Ersatzteile


Ersatzteil #10
Ersatzteil #13
Ersatzteil #6
Zurück nach oben