Über 300.000 Kunden - wir sagen Danke!

40,000+ Produkte aus Jagd und Schiesssport

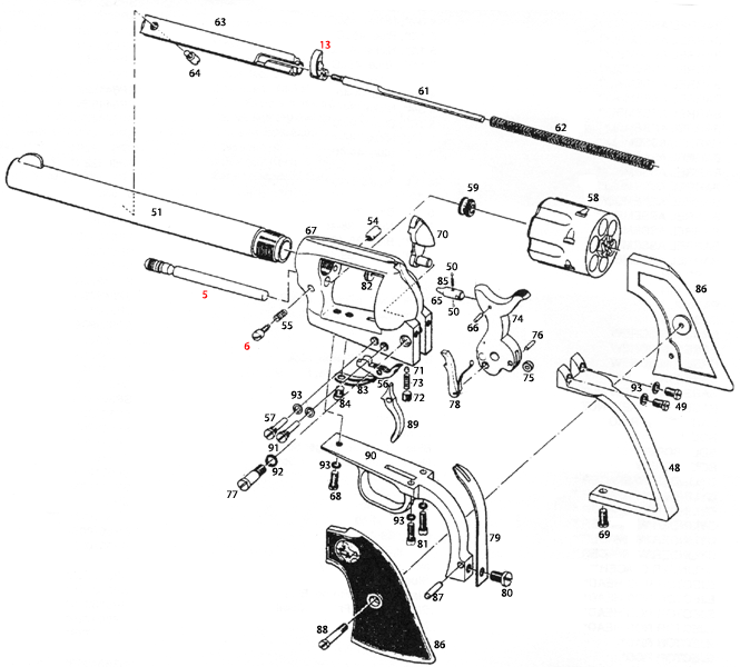
Entdecke die detaillierte Explosionszeichnung für den Colt® Single Action Army 3rd Gen. B.P. Rahmen, die dir hilft, alle Teile und deren Anordnung zu verstehen.

Colt® Single Action Army 3rd Gen. B.P. Frame Explosionszeichnung - Entdecke die Details!

Auf dieser Seite findest du die Explosionszeichnung für den Colt® Single Action Army 3rd Gen. B.P. Frame. Diese Zeichnung bietet dir eine detaillierte Übersicht über die verschiedenen Komponenten und deren Anordnung im Revolver. Mit dieser Ressource kannst du Reparaturen, Wartungen oder Modifikationen an deinem Colt® Revolver effizient durchführen. Die Explosionszeichnung ist nicht nur für erfahrene Waffenliebhaber nützlich, sondern auch für Anfänger, die mehr über die Funktionsweise ihres Revolvers erfahren möchten. Nutze diese wertvolle Informationsquelle, um dein Wissen zu erweitern und die Leistung deines Revolvers zu optimieren!

Colt® Single Action Army 3rd Gen. B.P. Frame



Colt® Single Action Army 3rd Gen. B.P. Frame Explosionszeichnung


Colt® Single Action Army 3rd Gen. B.P. Frame
Klicke auf eine rote Nummer, um mehr Informationen über das betreffende Produkt zu erhalten und um es in den Warenkorb zu legen. Klicke "SKU Liste" um alle anderen Teile für diese Explosionszeichnung zu sehen.

Colt® Single Action Army 3rd Gen. B.P. Frame Ersatzteile


Zurück nach oben