Über 300.000 Kunden - wir sagen Danke!

40,000+ Produkte aus Jagd und Schiesssport

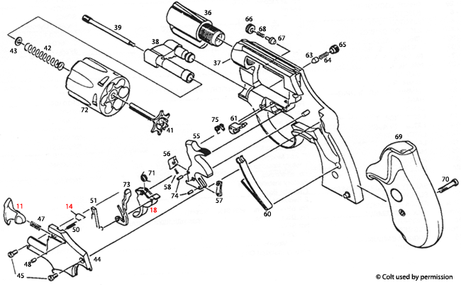
Entdecke detaillierte Explosionszeichnungen für den Colt® SF-VI Revolver, die dir helfen, die einzelnen Komponenten und deren Zusammenbau besser zu verstehen.

Colt® SF-VI Explosionszeichnung - Entdecke die Details deines Revolvers!

Auf dieser Seite findest du die Explosionszeichnung für den Colt® SF-VI Revolver. Diese detaillierte Darstellung zeigt alle Teile und Komponenten des Revolvers, sodass du einen umfassenden Überblick über seine Konstruktion erhältst. Egal, ob du an Reparaturen, Wartungen oder einfach nur an der Funktionsweise interessiert bist, diese Explosionszeichnung ist ein unverzichtbares Werkzeug für jeden Colt® SF-VI Besitzer. Entdecke die einzelnen Elemente und lerne, wie sie zusammenarbeiten, um die Leistung deines Revolvers zu gewährleisten. Lass dich von den visuellen Details inspirieren und erweitere dein Wissen über diesen klassischen Revolver!

Colt® SF-VI



Colt® SF-VI Explosionszeichnung


Colt® SF-VI
Klicke auf eine rote Nummer, um mehr Informationen über das betreffende Produkt zu erhalten und um es in den Warenkorb zu legen. Klicke "SKU Liste" um alle anderen Teile für diese Explosionszeichnung zu sehen.

Colt® SF-VI Ersatzteile


Zurück nach oben