Über 300.000 Kunden - wir sagen Danke!

40,000+ Produkte aus Jagd und Schiesssport

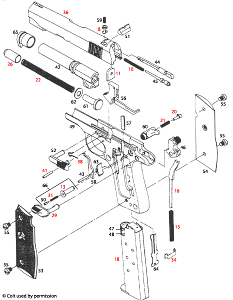
Entdecke die detaillierten Explosionszeichnungen der Colt® 380 Modelle für Selbstladepistolen, die dir helfen, die einzelnen Komponenten besser zu verstehen.

Colt® 380 Models Explosionszeichnung - Entdecke die Details deiner Waffe

Auf dieser Seite findest du eine umfassende Explosionszeichnung für die Colt® 380 Modelle, die dir hilft, die Struktur und Funktionsweise deiner Autoloading Pistole besser zu verstehen. Diese Zeichnungen sind nicht nur für Waffenliebhaber von Interesse, sondern auch für Techniker und Sammler, die eine detaillierte Ansicht der einzelnen Komponenten benötigen. Die Explosionszeichnungen zeigen präzise, wie die Teile zusammenarbeiten und erleichtern so die Wartung und Reparatur deiner Colt® 380. Egal, ob du nach Informationen für den Austausch von Teilen suchst oder einfach nur mehr über dein Modell erfahren möchtest, hier bist du genau richtig!

Colt® 380 Models



Colt® 380 Models Explosionszeichnung


Colt® 380 Models
Klicke auf eine rote Nummer, um mehr Informationen über das betreffende Produkt zu erhalten und um es in den Warenkorb zu legen. Klicke "SKU Liste" um alle anderen Teile für diese Explosionszeichnung zu sehen.

Colt® 380 Models Ersatzteile


Zurück nach oben