Über 300.000 Kunden - wir sagen Danke!

40,000+ Produkte aus Jagd und Schiesssport

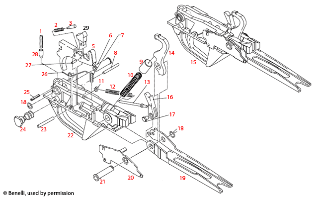
Diese Explosionszeichnung zeigt die detaillierte Baugruppe des Abzugs für die Benelli U.S.A.® Super Black Eagle II, um eine einfache Identifikation und Montage zu ermöglichen.

Benelli U.S.A.® Super Black Eagle II Trigger Assembly Explosionszeichnung - Entdecke die Details!

Auf dieser Seite findest du die Explosionszeichnung des Trigger Assembly für die Benelli U.S.A.® Super Black Eagle II. Diese detaillierte Darstellung hilft dir, die einzelnen Komponenten und deren Anordnung zu verstehen. Egal, ob du an Reparaturen, Wartungen oder einfach nur an einem tieferen Verständnis deiner Waffe interessiert bist, diese Explosionszeichnung bietet dir die nötigen Informationen. Nutze die Zeichnung, um sicherzustellen, dass du alle Teile korrekt montierst und die Funktionsweise deiner Shotgun optimal verstehst. Tauche ein in die Welt der Benelli-Technik und verbessere deine Kenntnisse!

Benelli U.S.A.® Super Black Eagle II Trigger Assembly



Benelli U.S.A.® Super Black Eagle II Trigger Assembly Explosionszeichnung


Benelli U.S.A.® Super Black Eagle II Trigger Assembly
Klicke auf eine rote Nummer, um mehr Informationen über das betreffende Produkt zu erhalten und um es in den Warenkorb zu legen. Klicke "SKU Liste" um alle anderen Teile für diese Explosionszeichnung zu sehen.

Benelli U.S.A.® Super Black Eagle II Trigger Assembly Ersatzteile


Zurück nach oben